Innendekoration Balustrade Interne Halterung Höhenverstellbar
SS:42442A
Schraube Sichtbare Halterung - Balkon oder Innendekoration Balustrade Interne Halterung Höhenverstellbar
DAH SHI Edelstahl-Handlauf-Wandhalterungen können im Allgemeinen in festen Winkeln und verstellbaren Winkeln unterteilt werden. Darüber hinaus gibt es Varianten für runde, quadratische und rechteckige Rohre. Sie können auch mit oder ohne sichtbare Schrauben erhältlich sein und sowohl für kleine als auch reguläre Handläufe geeignet sein. DAH SHI Geländerzubehör, das durch die Verwendung von einfachen Linien aus Rohren und Stangen viele Stile zur Auswahl für Kunden geschaffen hat. Um verschiedene visuelle Bilder zu erstellen und auch unterschiedliches modisches Design durch einfache Installation von Kombinationen ohne vorherigen Zuschnitt und Polieren zu haben. Die Accessoires können auch titanbeschichtet sein, um das Geländersystem eleganter zu gestalten, nicht nur ein Sicherheitsgeländer. Wir bieten zwei Arten von Edelstahlmaterial, SS304 und SS316, sowie Oberflächenpolitur, Spiegel und Satin, für unterschiedliche Anwendungen in verschiedenen Umgebungen an. Einfache, schnelle und bequeme Installation und perfekter visueller Effekt sind unsere Ziele.
Funktionen
- Schraube sichtbare Halterung.
- Einfache Installation.
- Schönes Erscheinungsbild.
- Sicher.
Spezifikation
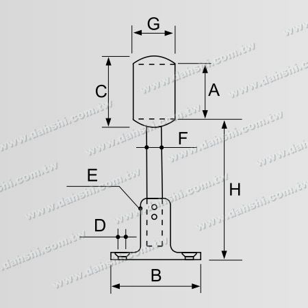
| Artikelnummer | A | B | C | D | E | F | G | H |
|---|---|---|---|---|---|---|---|---|
| SS:33742A | Dia. 33.7mm | Dia. 64.8mm | Dia. 46mm | Dia. 5.2mm | Dia. 22,2 mm | Dia. 12mm | 29mm | 90~110mm |
| SS:42442A | Dia. 42.4mm | Dia. 64.8mm | Dia. 54mm | Dia. 5.2mm | Dia. 22,2 mm | Dia. 12mm | 32mm | 90~110mm |
| SS:48342A | Dia. 48.3mm | Dia. 64.8mm | Dia. 62mm | Dia. 5.2mm | Dia. 22,2 mm | Dia. 12mm | 36mm | 90~110mm |

Produktbesitz
- Unser Unternehmen besitzt eine Präzisions-Gießerei, eine Stanzverarbeitungsfabrik und eine Schweiß- und Polierverarbeitungsfabrik im hinteren Bereich. Wir bieten professionelle Beratung und Dienstleistungen für Produktgestaltung, Verarbeitung und Herstellung.
- Neben unseren eigenen Markenprodukten können wir auch Kundenentwürfe verarbeiten und herstellen (OEM); oder Kunden beschreiben ihre Produktkonzepte und wir entwerfen und verarbeiten Kundenmarkenprodukte (ODM).
- Der Vorteil einer professionellen Verarbeitungs- und Herstellungsfabrik besteht darin, dass sie kleine Musterkäufe, Musterherstellung und schnelle Massenproduktion akzeptieren kann.
Bestellinformationen
- Bitte listen Sie die folgenden Informationen auf, um so bald wie möglich ein Angebot zu erstellen ---
- Menge:
- Materialien: Edelstahl #304 oder #316
- Finish: Poliert #600 oder Satin-Finish oder Muster anbieten
- Versandbedingungen: Basierend auf dem Werkpreis
Katalog für heiße Produkte
Der Katalog bietet den besten Verkauf von Edelstahl-Handlaufzubehör.
Innendekoration Balustrade Interne Halterung Höhenverstellbar - Schraube Sichtbare Halterung - Balkon oder Innendekoration Balustrade Interne Halterung Höhenverstellbar | Hersteller von Edelstahlhandlaufbeschlägen aus Taiwan | DAH SHI
Seit 1973 in Taiwan ansässig, ist Dah Shi Metal Industrial Co., Ltd. ein Hersteller von Edelstahl-Geländerrohren und Treppenteilen. Ihre Haupttreppengeländerteile umfassen Innendekoration. Balustrade interne Halterung, Höhenverstellbare Treppengeländer-Zubehörteile, Edelstahlkugel, Handlaufstütze mit Pfostenverbinder, Edelstahlbogen, Edelstahlclips, quadratische Rohrverbindungen und Baubeschläge, mit Produktionslinien, bestehend aus Ultraschall-Autoreinigungsmaschinen, CNC-Maschinen, Rohrbiegemaschinen, Argon-Schweißmaschinen und so weiter.
DAH SHI hat seit über 50 Jahren Edelstahl-Balustraden, gebogene Kupplungen und Zubehörkomponenten hergestellt. Durch die Zusammenarbeit mit Innenarchitekten und Architekten und dem Streben nach künstlerischer und technischer Perfektion haben wir umfangreiche Erfahrungen gesammelt. Wir bieten Käufern stolz eine Linie von Geländern an, die durch mehr als zehn beim Zentralbüro für Normen registrierte Patente geschützt sind. Die Treppengeländer- und Edelstahlbeschlag-Designs von DAH SHI sowie deren kontinuierliche Produktion gewinnen zunehmend Aufmerksamkeit von Käufern weltweit. Mit Hunderten von erteilten Patenten und über 20 Patenten innerhalb der Gültigkeitsdauer, werden die Edelstahlhandläufe und -beschläge von DAH SHI professionell hergestellt.
DAH SHI hat Kunden seit 50 Jahren hochwertige Metallgeländer und Rohrzubehör geliefert, sowohl mit fortschrittlicher Technologie als auch mit langjähriger Erfahrung, um die Anforderungen jedes Kunden zu erfüllen.



