Réamhchúram Inioxaithe Cruach Iarainn do Bháir ( SS:424154AL)
SS:424154AL
DAH SHI Ábharáin Iarainn Ráilleacha speisialta do dhearadh Bheárach a chruthaigh go leor stíleanna le rogha a thabhairt do chustaiméirí trí úsáid a bhaint as dearadh líne simplí de thubanna agus ródanna. Chun íomhánna radharcacha éagsúla a dhéanamh, agus dearadh faiseanta éagsúil a bheith agat trí chombáidiú éasca gan bheamú, gearradh, agus póláireachadh mar sin de phróisis oibre a dhéanamh roimh ré. Is féidir na hábhairbhreiseáin a chótaí Titainiam chomh maith chun an córas ráillíochta a dhéanamh níos ealaíonta, ní hamháin ráillíocht staighre sábháilteachta. Tá dhá chineál Ábhair Cruach Inox ar fáil againn, SS304 agus SS316, agus póilíní dromchla, Scáthán agus Sáite, do chuid feidhmchláir timpeallachta éagsúla. Is é ár gcuspóir éasca, tapa agus comhoiriúnachta a shuiteáil agus toradh radharcach foirfe a bhaint amach.
Gnéithe
- Éasca a shuiteáil.
- Dearbhaíonn cuma deas.
- Sábháilte.
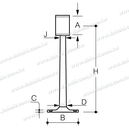
Sonraíochta
| Uimhir an tÁrthach | A | B | C | D | J | H |
|---|---|---|---|---|---|---|
| SS:337154AL | Diam. 33.7mm | Dia. 64.8mm | 4.0mm | Dia. 16.0mm | Dia. 12.0mm | 197mm |
| SS:424154AL | Dia. 42.4mm | Dia. 74.6mm | 5.0mm | Dia. 16.0mm | Dia. 12.0mm | 202mm |
| SS:483154AL | Dí. 48.3mm | Dí. 82.4mm | 5.5mm | Dí. 19.0mm | Dí. 13.0mm | 213mm |

Úinéireacht Táirgí
- Tá monarcha díghalrúcháin cruacháin, monarcha próiseála púnsála, agus monarcha próiseála agus póilísithe ag ár gcuideachta sa chuid cúil. Cuirimid comhairle agus seirbhísí gairmiúla ar fáil maidir le dearadh táirgí, próiseáil, agus déantúsaíocht.
- Chomh maith le táirgí ár mbranda féin a bheith againn, is féidir linn dearaidh a sholáthar do chustaiméirí, a phróiseáil agus a dhéanamh againn (OEM); nó is féidir le custaiméirí a gcuid smaointe ar tháirgí a mhíníonn siad, agus ansin dearadh agus próiseáil a dhéanamh ar tháirgí mbranda na gcustaiméirí (ODM).
- Is é an buntáiste atá ag monarcha gairmiúil próiseála agus déantúsaíochta ná go nglacann sé le ceannach samplach beag, déantúsaíocht samplach, agus déantúsaíocht tapa ar scála mór.
Eolas faoi Ordú
- Le do thoil, liostaigh na sonraí seo a leanas chun an luacháil a chur ar fáil chomh luath agus is féidir ---
- Méid:
- Ábhair: Cruach Inox #304 nó #316
- Críochnú: Polaithe #600 nó críochnú satin nó sampla a chur ar fáil
- Téarmaí Loingseoireachta: Bunaithe ar phraghas Ex-fabraithe
Catagóir Táirgí Teasa
Tá an catagóir ag tairiscint an díolacháin is fearr de leasuithe lámhchúlaithe cruach dhromchla.
Réamhchúram Inioxaithe Cruach Iarainn do Bháir ( SS:424154AL)-Réamhchúram Inioxaithe Cruach Iarainn do Bháir ( SS:424154AL) | Déanta i Taiwan Monaróir Feistis Ráille láimhe Cruach Dhosmálta | DAH SHI
Suiteáilte i Taiwan ó 1973, tá Dah Shi Metal Industrial Co., Ltd. ina mhonaróir píopaí rialúir staighre cruach stáinless agus píosaí staighre. Iad a gcuid píosaí príomhstair ráillí, lena n-áirítear Coscán Inox ar son Barra (SS:424154AL), Ábhair Tacaíochta Ráillí Staighre, Liathróid Inox, Tacaíocht Lámhchúlaithe le hAontóir, Ullmhúchán Inox, Ceapacháin Inox, Ceanglóirí Píopa Cearnach agus Trealamh Tógála, le línte táirgthe a bhfuil meaisíní glanadh uilisceach uathoibríoch, meaisíní CNC, meaisíní píopaí cúrtha, meaisíní breiseáin argón agus mar sin de.
Tá DAH SHI tarraingthe ag déanamh balustráidí cruach, comhoiriúnaithe corraitheacha, agus ábhar comhpháirteanna le breis agus 50 bliain. Tar éis taithí shaibhir a bhaint amach trí obair le dearthóirí seomraí inmheánacha agus innealtóireachta agus ag streachailt le haghaidh foirfeachta ealaíonta agus teicniúla, táimid go bródúil ag cur ar fáil líne de bhailstráidí a bhfuil breis agus deich bhréagáin cláraithe ag an mBureau Lárnach um Chaighdeáin. Tá dearadh ráillí staighre agus feistis stáinless steel DAH SHI, agus tá a mhonarú ag fáil aitheantais leanúnach ó cheannaitheoirí ar fud an domhain. Ag cur cásanna céadta de phatantanna i bhfeidhm agus ag baint amach os cionn 20 cás de phatantanna laistigh de thréimhse éifeachtachta, tá lámhchóiriú agus feistis iarainn stáin DAH SHI á gcruthú le gairmiúlacht.
Tá DAH SHI ag freastal ar chustaiméirí le ráillí mheála ardchaighdeáin agus ábhar píopa, le teicneolaíocht chomhtháite agus 50 bliain taithí, ag freastal ar éilimh gach cliant.


