لوله گرد استیل ضد زنگ پایه گرد استیل برای استفاده در دیوار شیشه ای
SS:2017A / SS:42417A
لوله گرد استیل ضد زنگ پایه گرد استیل برای استفاده در دیوار شیشه ای
DAH SHI لوازم جانبی پایه پایه دستگاه استیل ضد زنگ DAH SHI انتخاب های متنوعی را برای طرح های مختلف فراهم می کند. از سریعترین روش برای نصب و تکمیل تعمیرات ریلینگ استفاده کنید و پیچ ها را به صورت تمیز و زیبا پنهان کنید. پله پایه میتواند به لوله دایرهای، لوله مربع و لوله مستطیل تقسیم شود و همچنین به طور دقیق میتواند به قابل تنظیم زاویه و ثابت زاویه و غیره تقسیم شود تا مشتریان بتوانند انتخاب کنند. برای ایجاد تصاویر بصری متفاوت و همچنین داشتن طراحی مد روز متفاوت. اکسسوریها همچنین میتوانند با پوشش تیتانیومی تهیه شوند تا سیستم نرده را بیشتر از یک نرده پله ایمن به یک نرده پله شیک و زیبا تبدیل کنند. ما دو نوع مواد استیل ضد زنگ، SS304 و SS316، و سطح پولیش آینه ای و ساتین را برای کاربردهای محیطی مختلف ارائه می دهیم. هدف ما نصب آسان، سریع و راحت و ایجاد اثر بصری کامل است.
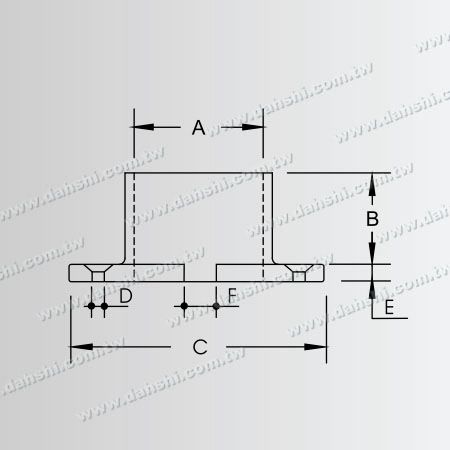
مشخصات فنی
| شماره مورد | A | B | C | D | E | F |
|---|---|---|---|---|---|---|
| SS:1217A | ø31.8mm | 20.0mm | ø72.0mm | ø5.5mm | t4.2mm | لطفا ابعاد شیار را ارائه دهید Please provide the size of gap. |
| SS:1517A | ø38.1mm | 20.9 میلیمتر | قطر 76.0 میلیمتر | ø5.5mm | ضخامت 4.5 میلیمتر | |
| فولاد ضد زنگ: 2017A | قطر 50.8 میلیمتر | 26.4 میلیمتر | قطر 101.6 میلیمتر | ø5.5mm | ضخامت 5.4 میلیمتر | |
| فولاد ضد زنگ: 2517A | قطر 63.5 میلیمتر | ۳۲.۶ میلیمتر | قطر ۱۲۹.۰ میلیمتر | قطر ۶.۵ میلیمتر | ضخامت ۵.۵ میلیمتر | |
| فولاد ضد زنگ: ۳۰۱۷A | قطر ۷۶.۲ میلیمتر | ۳۶.۰ میلیمتر | قطر ۱۵۲.۴ میلیمتر | قطر ۶.۵ میلیمتر | ضخامت ۷.۵ میلیمتر |
**ابعاد F قابل سفارشی سازی هستند، لطفاً ابتدا تماس بگیرید**
**لطفاً برای سایز دیگری از فاصله با ما تماس بگیرید**

| شماره مورد | A | B | C | D | E | F |
|---|---|---|---|---|---|---|
| SS:1017A | ø۲۵.۴mm | ۱۷.۵mm | ø۶۴.۴mm | ø5.5mm | t۴.۰mm | |
| SS:30017A | ø۳۰.۰mm | ۲۲.۰mm | ø۵۹.۰mm | ø5.2mm | t۴.۰mm | 9mm |
| SS:33717A | ø33.7mm | 24.0mm | ø65.0mm | ø5.2mm | ضخامت 4.5 میلیمتر | 9mm |
| SS:40017A | ø40.0mm | 29.0mm | ø78.0mm | ø5.2mm | تی 5.0 میلیمتر | 9mm |
| اس اس: 42417A | قطر 42.4 میلیمتر | 30.0 میلیمتر | قطر 82.4 میلیمتر | ø5.2mm | ضخامت ۵.۵ میلیمتر | 11 میلیمتر |
| اس اس: 48317A | قطر 48.3 میلیمتر | 34.0 میلیمتر | قطر 95.0 میلیمتر | ø6.2mm | t6.0mm | 13mm |
| SS:60317A | ø60.3mm | 43.0mm | ø118.0mm | ø6.2mm | t7.0mm | 16mm |
| SS:76117A | ø76.1mm | 54.0mm | ø148.0mm | ø6.2mm | t8.0mm | 16mm |
| SS:101617A | قطر 101.6 میلیمتر | 60.0mm | ø180.0mm | ø6.2mm | t9.0mm | 21mm |
**ابعاد F قابل سفارشی سازی هستند، لطفاً ابتدا تماس بگیرید**
**لطفاً برای سایز دیگری از فاصله با ما تماس بگیرید**

مالکیت محصول
- شرکت ما یک کارخانه دقیق دیواکسینگ، یک کارخانه پانچ پردازش و یک کارخانه جوشکاری و تراشکاری در بخش پشتیبانی دارد. ما مشاوره و خدمات حرفه ای در زمینه طراحی، پردازش و تولید محصول ارائه می دهیم.
- علاوه بر اینکه ما محصولات برند خود را داریم، ما همچنین می توانیم طرح های مشتریان را که توسط ما پردازش و تولید می شوند (OEM)، یا مشتریان توصیف مفهوم محصول خود را و سپس ما طراحی و پردازش محصولات برند مشتریان (ODM) ارائه دهیم.
- مزیت کارخانه پردازش و تولید حرفه ای این است که می تواند خرید نمونه کوچک، تولید نمونه و تولید جمعی سریع را پذیرفته.
اطلاعات سفارش
- لطفاً اطلاعات زیر را برای ارائه پیشنهاد به سرعت فراهم کنید ---
- تعداد:
- مواد: استیل ضد زنگ #304 یا #316
- تمام: پولیش شده #600 یا تمام مخملی یا ارائه نمونه
- شرایط حمل و نقل: بر اساس قیمت خروج کارخانه
لوله گرد استیل ضد زنگ پایه گرد استیل برای استفاده در دیوار شیشه ای - لوله گرد استیل ضد زنگ پایه گرد استیل برای استفاده در دیوار شیشه ای | تولید کننده قطعات پایه پله استیل تایوان | DAH SHI
در تایوان از سال ۱۹۷۳ واقع شده، Dah Shi Metal Industrial Co., Ltd. یک تولید کننده لوله های پله راه پله و قطعات پله از جنس استیل ضد زنگ بوده است. قطعات اصلی پلههای آنها شامل لوله گرد استیل ضد زنگ با پایه گرد استیل ضد زنگ برای استفاده در دیوار شیشهای، لوازم جانبی پلهها، توپ استیل ضد زنگ، پشتیبان دستگیره با اتصال به پست، آویز استیل ضد زنگ، کلیپهای استیل ضد زنگ، اتصالات لوله مربع و لوازم ساختمانی است که خطوط تولید آنها شامل ماشینهای خودکار تمیز کننده اولتراسونیک، ماشینهای CNC، ماشینهای خمیرکن لوله، ماشینهای جوشکاری آرگون و غیره میباشد.
DAH SHI بالاسترادهای استیل ضد زنگ، کوپلرهای منحنی و لوازم جانبی قطعه را بیش از 50 سال تولید کرده است. با کسب تجربهای گسترده از همکاری با طراحان داخلی و معماران و تلاش برای کمال هنری و فنی، ما به افتخار خریداران یک سری پلههای محافظت شده توسط بیش از ده پتانسیل ثبت شده در دفتر مرکزی استانداردها ارائه میدهیم. طراحی پلکان و تجهیزات استیل ضد زنگ DAH SHI و تولید آن به طور مداوم توجه خریداران جهانی را به خود جلب می کند. با صدور صدها پرونده از برندهای ثبت اختراع و داشتن بیش از 20 پرونده از برندهای ثبت اختراع در دوره اعتبار، دستگیره و لوازم جانبی استیل DAH SHI با حرفه ای تولید می شوند.
DAH SHI با فناوری پیشرفته و 50 سال تجربه، به مشتریان خود خدماتی با کیفیت بالا در زمینه ریلینگ فلزی و لوازم جانبی لوله ارائه میدهد و تمامی نیازهای هر مشتری را برآورده میکند.





