براکت بالای تزئینات داخلی پلهرو ارتفاع قابل تنظیم - 45°
SS:42441-45°
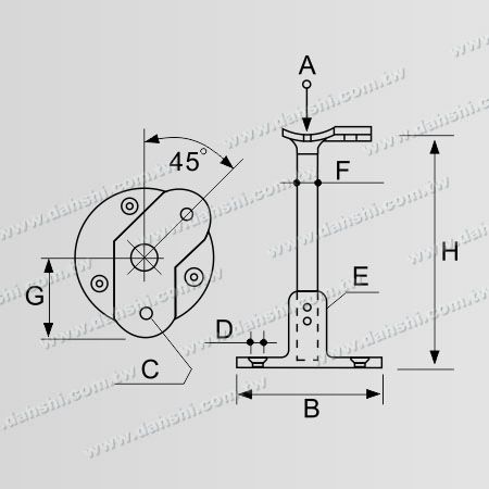
پیچ نگهدارنده بروننمایی - براکت بالای بالکن یا تزئینات داخلی پلهرو ارتفاع قابل تنظیم - زاویه 45 درجه
DAH SHI اکسسوریهای براکت دستگیره دیواری از جنس استیل ضد زنگ معمولا به دو نوع ثابت و قابل تنظیم تقسیم میشوند و همچنین به طور دقیق میتوانند به سه نوع استفاده از لوله گرد، استفاده از لوله مربع و استفاده از لوله مستطیل تقسیم شوند و علاوه بر این، میتوانند به دو نوع نمایش پیچ و نمایش بدون پیچ، دستگیره اندازه کوچک و دستگیره اندازه معمولی تقسیم شوند. DAH SHI لوازم جانبی پله که با استفاده از طراحی خط ساده لوله ها و میله ها، انواع زیادی را برای انتخاب مشتریان ایجاد کرده است. برای ایجاد تصاویر بصری متفاوت و همچنین داشتن طراحی مد روز با نصب آسان ترکیبات بدون نیاز به برش و تراش کارهای پیشین. اکسسوریها همچنین میتوانند با پوشش تیتانیومی تهیه شوند تا سیستم نرده را بیشتر از یک نرده پله ایمن به یک نرده پله شیک و زیبا تبدیل کنند. ما دو نوع مواد استیل ضد زنگ، SS304 و SS316، و سطح پولیش آینه ای و ساتین را برای کاربردهای محیطی مختلف ارائه می دهیم. هدف ما نصب آسان، سریع و راحت و ایجاد اثر بصری کامل است.
ویژگی ها
- براکت پیچ بروننمایی.
- نصب آسان.
- ظاهر زیبا.
- امن.
مشخصات فنی
| شماره مورد | A | B | C | دی | ای | اف | جی | اچ |
|---|---|---|---|---|---|---|---|---|
| SS:33741-45。 | قطر ۳۳.۷ میلیمتر | قطر 64.8 میلیمتر | قطر 5.2 میلیمتر | قطر 5.2 میلیمتر | قطر 22.2 میلیمتر | قطر 12 میلیمتر | ۳۵ میلیمتر | 90~110 میلیمتر |
| SS:42441-45。 | قطر ۴۲.۴ میلیمتر | قطر 64.8 میلیمتر | قطر 5.2 میلیمتر | قطر 5.2 میلیمتر | قطر 22.2 میلیمتر | قطر 12 میلیمتر | ۳۵ میلیمتر | 90~110 میلیمتر |
| SS:48341-45。 | قطر ۴۸.۳ میلیمتر | قطر 64.8 میلیمتر | قطر 5.2 میلیمتر | قطر 5.2 میلیمتر | قطر 22.2 میلیمتر | قطر 12 میلیمتر | ۳۵ میلیمتر | 90~110 میلیمتر |

مالکیت محصول
- شرکت ما یک کارخانه دقیق دیواکسینگ، یک کارخانه پانچ پردازش و یک کارخانه جوشکاری و تراشکاری در بخش پشتیبانی دارد. ما مشاوره و خدمات حرفه ای در زمینه طراحی، پردازش و تولید محصول ارائه می دهیم.
- علاوه بر اینکه ما محصولات برند خود را داریم، ما همچنین می توانیم طرح های مشتریان را که توسط ما پردازش و تولید می شوند (OEM)، یا مشتریان توصیف مفهوم محصول خود را و سپس ما طراحی و پردازش محصولات برند مشتریان (ODM) ارائه دهیم.
- مزیت کارخانه پردازش و تولید حرفه ای این است که می تواند خرید نمونه کوچک، تولید نمونه و تولید جمعی سریع را پذیرفته.
اطلاعات سفارش
- لطفاً اطلاعات زیر را برای ارائه پیشنهاد به سرعت فراهم کنید ---
- تعداد:
- مواد: استیل ضد زنگ #304 یا #316
- تمام: پولیش شده #600 یا تمام مخملی یا ارائه نمونه
- شرایط حمل و نقل: بر اساس قیمت خروج کارخانه
براکت بالای تزئینات داخلی پلهرو ارتفاع قابل تنظیم - 45° - پیچ نگهدارنده بروننمایی - براکت بالای بالکن یا تزئینات داخلی پلهرو ارتفاع قابل تنظیم - زاویه 45 درجه | تولید کننده قطعات پایه پله استیل تایوان | DAH SHI
در تایوان از سال ۱۹۷۳ واقع شده، Dah Shi Metal Industrial Co., Ltd. یک تولید کننده لوله های پله راه پله و قطعات پله از جنس استیل ضد زنگ بوده است. بخشهای اصلی پلههای آنها شامل دکوراسیون داخلی است. قاب بالاي بالاستريد قابل تنظيم ارتفاع - 45 درجه، لوازم جانبی پله راه پله، توپ فولاد ضد زنگ، پشتیبان دستگیره با پست پیوست، آویز استیل ضد زنگ، کلیپ های استیل ضد زنگ، اتصالات لوله مربع و ساختمان سازی، با خطوط تولید شامل ماشین های خودکار تمیز کننده اولتراسونیک، ماشین های CNC، ماشین های خم کننده لوله، ماشین های جوشکاری آرگون و غیره.
DAH SHI بالاسترادهای استیل ضد زنگ، کوپلرهای منحنی و لوازم جانبی قطعه را بیش از 50 سال تولید کرده است. با کسب تجربهای گسترده از همکاری با طراحان داخلی و معماران و تلاش برای کمال هنری و فنی، ما به افتخار خریداران یک سری پلههای محافظت شده توسط بیش از ده پتانسیل ثبت شده در دفتر مرکزی استانداردها ارائه میدهیم. طراحی پلکان و تجهیزات استیل ضد زنگ DAH SHI و تولید آن به طور مداوم توجه خریداران جهانی را به خود جلب می کند. با صدور صدها پرونده از برندهای ثبت اختراع و داشتن بیش از 20 پرونده از برندهای ثبت اختراع در دوره اعتبار، دستگیره و لوازم جانبی استیل DAH SHI با حرفه ای تولید می شوند.
DAH SHI با فناوری پیشرفته و 50 سال تجربه، به مشتریان خود خدماتی با کیفیت بالا در زمینه ریلینگ فلزی و لوازم جانبی لوله ارائه میدهد و تمامی نیازهای هر مشتری را برآورده میکند.


