Support latéral interne de balustrade de décoration intérieure Hauteur réglable des deux côtés
SS:42442B
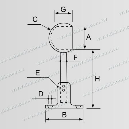
Support de fixation apparent - Balustrade de décoration de balcon ou d'intérieur Support latéral interne de balustrade Hauteur réglable des deux côtés
Les accessoires de support mural pour rampe d'escalier en acier inoxydable 'DAH SHI' peuvent généralement être divisés en types de fixation d'angle fixe et d'angle réglable, et également en détail en fonction de l'utilisation de tube rond, de tube carré et de tube rectangulaire, et en outre, ils peuvent être divisés en visibles et non visibles, en main courante de petite taille et en main courante de taille régulière. Accessoires de rampe DAH SHI qui a créé de nombreux styles pour que les clients choisissent en utilisant un design de lignes simples de tubes et de barres. Pour créer différentes images visuelles et également avoir un design à la mode différent en installant facilement une combinaison sans avoir à couper et polir ce genre de processus de travail à l'avance. Les accessoires peuvent également être revêtus de titane pour rendre le système de balustrade plus élégant, et non seulement un garde-corps de sécurité. Nous proposons deux types de matériaux en acier inoxydable, SS304 et SS316, ainsi que des finitions de surface, Miroir et Satin, pour différentes applications environnementales. L'installation facile, rapide et pratique et l'effet visuel parfait sont nos objectifs.
Fonctionnalités
- Support de vis exposé.
- Installation facile.
- Bel aspect.
- Sécurité.
Spécification
| Numéro d'article | A | B | C | D | E | F | G | H |
|---|---|---|---|---|---|---|---|---|
| SS:33742B | Dia. 33.7mm | Dia. 64.8mm | Dia. 46mm | Dia. 5.2mm | Dia. 22.2mm | Dia. 12 mm | 38mm | 90~110mm |
| SS:42442B | Dia. 42.4mm | Dia. 64.8mm | Dia. 54mm | Dia. 5.2mm | Dia. 22.2mm | Dia. 12 mm | 43mm | 90~110mm |
| SS:48342B | Dia. 48.3mm | Dia. 64.8mm | Dia. 62mm | Dia. 5.2mm | Dia. 22.2mm | Dia. 12 mm | 50 mm | 90~110mm |

Propriété du produit
- Notre entreprise possède une usine de moulage à la cire perdue de précision, une usine de traitement de poinçonnage, ainsi qu'une usine de soudage et de polissage dans la section arrière. Nous offrons des conseils professionnels et des services pour la conception, le traitement et la fabrication de produits.
- En plus de nos produits de marque, nous pouvons également fournir des designs personnalisés aux clients, qui sont ensuite traités et fabriqués par nos soins (OEM) ; ou les clients décrivent leurs concepts de produits, puis nous concevons et traitons les produits de marque des clients (ODM).
- L'avantage d'une usine de traitement et de fabrication professionnelle est qu'elle peut accepter des achats d'échantillons, la fabrication d'échantillons et une production de masse rapide.
Informations de commande
- Veuillez lister les informations suivantes afin de proposer le devis dès que possible ---
- Quantité :
- Matériaux : Acier inoxydable #304 ou #316
- Finition : Poli #600 ou finition satinée ou échantillon disponible
- Conditions d'expédition : Basées sur le prix départ usine
Catalogue des produits phares
Le catalogue propose la meilleure vente d'accessoires de main courante en acier inoxydable.
Support latéral interne de balustrade de décoration intérieure Hauteur réglable des deux côtés - Support de fixation apparent - Balustrade de décoration de balcon ou d'intérieur Support latéral interne de balustrade Hauteur réglable des deux côtés | Fabricant de raccords de main courante en acier inoxydable fabriqués à Taïwan | DAH SHI
Implantée à Taïwan depuis 1973, Dah Shi Metal Industrial Co., Ltd. est un fabricant de tubes de garde-corps d'escalier en acier inoxydable et de pièces d'escalier. Leurs principaux éléments de rampe d'escalier, comprennent l'Intérieur Déco. Support de balustrade interne à deux côtés réglable. Hauteur, Accessoires de rampe d'escalier, Boule en acier inoxydable, Support de main courante avec connecteur de poteau, Coude en acier inoxydable, Clips en acier inoxydable, Raccords de tuyaux carrés et quincaillerie de construction, avec des lignes de production comprenant des machines de nettoyage automatique à ultrasons, des machines CNC, des machines à cintrer les tuyaux, des machines de soudage à l'argon, et ainsi de suite.
DAH SHI a fabriqué des balustrades en acier inoxydable, des coupleurs courbés et des accessoires de composants depuis plus de 50 ans. Ayant acquis une richesse d'expérience en travaillant avec des designers d'intérieur et des architectes et en recherchant la perfection artistique et technique, nous proposons fièrement aux acheteurs une gamme de balustrades couvertes par plus de dix brevets enregistrés auprès du Bureau central des normes. La conception de la rampe d'escalier et des accessoires en acier inoxydable de DAH SHI, ainsi que sa fabrication, gagnent continuellement en visibilité auprès des acheteurs du monde entier. Ayant obtenu des centaines de brevets et possédant plus de 20 brevets en cours de validité, les mains courantes et les accessoires en acier inoxydable de DAH SHI sont fabriqués avec professionnalisme.
DAH SHI propose des accessoires de garde-corps et de tuyauterie en métal de haute qualité depuis 50 ans, en utilisant une technologie avancée pour répondre aux exigences de chaque client.


