S.S. ท่อและตัวเชื่อมเหล็กสแตนเลส
SS:12091
ท่อและตัวเชื่อมเหล็กสแตนเลส
สินค้าของ DAH SHI ที่มีให้เลือกมากมายเป็นที่นิยมสำหรับผู้ใช้งานที่ต้องการเครื่องยึดแถบสแตนเลส สามารถใช้กับท่อรูปรีด ท่อสี่เหลี่ยม และท่อสี่เหลี่ยมมุม โดยสามารถเลือกได้ตามขนาดที่ต้องการ เช่น ขนาดท่อรูปรีด ตั้งแต่ 12 มม. ถึง 63.5 มม. (2 1/2 นิ้ว) สามารถปรับตำแหน่งของแท่นยึดบาร์ได้ตั้งแต่ 90 องศาหรือหมุนตัวเองให้เหมาะกับมุมของบันไดที่แตกต่างกันได้ เรามีวัสดุสแตนเลสสองประเภทคือ SS304 และ SS316 และการเงาผิว Mirror และ Satin สำหรับการใช้งานในสภาพแวดล้อมที่แตกต่างกัน
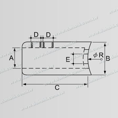
ข้อมูลสเปค
| รหัสสินค้า | A | บี | ซี | D | E | R |
|---|---|---|---|---|---|---|
| SS:12091 | ø12.0มม. | ø22.2mm | 35 มม. | ø6mm | ø6.5mm | ø33.7มม. |
| ø12.0มม. | ø22.2mm | 35 มม. | ø6mm | ø6.5mm | ø42.4มม. | |
| ø12.0มม. | ø22.2mm | 35 มม. | ø6mm | ø6.5mm | ø48.3มม. |

การเป็นเจ้าของสินค้า
- บริษัทของเราเป็นเจ้าของโรงงานหล่อละลายแบบแม่พิมพ์ความแม่นยำ โรงงานประมวลผลแบบตี และโรงงานประมวลผลการเชื่อมและขัดเงาในส่วนหลัง เราให้คำปรึกษาและบริการมืออาชีพสำหรับการออกแบบผลิตภัณฑ์ การประมวลผล และการผลิต
- นอกจากการเป็นเจ้าของผลิตภัณฑ์แบรนด์ของเรา เรายังสามารถให้บริการการออกแบบของลูกค้า ซึ่งจะถูกประมวลผลและผลิตโดยเรา (OEM) หรือลูกค้าอธิบายแนวความคิดของผลิตภัณฑ์ของพวกเขา แล้วเราจะออกแบบและประมวลผลผลิตภัณฑ์แบรนด์ของลูกค้า (ODM)
- ข้อดีของโรงงานการประมวลผลและการผลิตมืออาชีพคือสามารถรับซื้อตัวอย่างขนาดเล็ก การผลิตตัวอย่าง และการผลิตจำนวนมากอย่างรวดเร็ว
ข้อมูลการสั่งซื้อ
- โปรดระบุข้อมูลต่อไปนี้เพื่อให้เสนอราคาโดยเร็วที่สุด ---
- ปริมาณ:
- วัสดุ: สแตนเลส #304 หรือ #316
- การเสริม: ขัด #600 หรือ การเสริมแบบเงาหรือให้ตัวอย่าง
- เงื่อนไขการจัดส่ง: ขึ้นอยู่กับราคาโรงงาน
S.S. ท่อและตัวเชื่อมเหล็กสแตนเลส- -ท่อและตัวเชื่อมเหล็กสแตนเลส | ผลิตในไต้หวันผู้ผลิตฟิตติ้งราวบันไดสแตนเลส | DAH SHI
ตั้งอยู่ในไต้หวันตั้งแต่ปี 1973, Dah Shi Metal Industrial Co., Ltd. เป็นผู้ผลิตท่อราวเหล็กสแตนเลสและชิ้นส่วนบันไดสแตนเลส ส่วนประกอบของราวบันไดหลักของพวกเขาประกอบด้วยท่อและคอนเน็กเตอร์เหล็กสแตนเลส อุปกรณ์ราวบันไดขั้นบันได ลูกบอลสแตนเลส รองรับแฮนเรลด้วยตัวเชื่อมกับโพสต์ ข้อศอกสแตนเลสเหล็ก คลิปสแตนเลสเหล็ก ข้อต่อท่อสี่เหลี่ยมและอุปกรณ์ก่อสร้าง ด้วยเส้นผลิตที่ประกอบด้วยเครื่องล้างอัตโนมัติด้วยเสียงอัลตราโซนิค เครื่อง CNC เครื่องงอท่อ เครื่องเชื่อมอาร์กอนและอื่น ๆ
DAH SHI ผลิตราวเหล็กสแตนเลส คูปองโค้ง และอุปกรณ์ส่วนประกอบมาเกือบ 50 ปีแล้ว มีประสบการณ์มากมายที่ได้รับผ่านการทำงานกับนักออกแบบภายในและสถาปนิก และพยายามสู่ความเป็นศิลปะและความสมบูรณ์ทางเทคนิค เรายินดีที่จะเสนอผู้ซื้อสายรั้วที่ได้รับการคุ้มครองด้วยสิทธิบัตรมากกว่าสิบรายการที่ลงทะเบียนกับสำนักงานมาตรฐานกลาง การออกแบบราวกันตกของ DAH SHI และการออกแบบอุปกรณ์สแตนเลส และการผลิตของมันได้รับความสนใจจากผู้ซื้อทั่วโลกอย่างต่อเนื่อง ได้รับสิทธิบัตรหลายร้อยรายและครอบครองสิทธิบัตรกว่า 20 รายภายในระยะเวลาที่ใช้ได้ DAH SHI รางน้ำและอุปกรณ์สแตนเลสถูกผลิตด้วยความเชี่ยวชาญ
DAH SHI ได้ให้บริการลูกค้าด้วยชิ้นส่วนราวเหล็กและอุปกรณ์ท่อคุณภาพสูงทั้งด้วยเทคโนโลยีที่ทันสมัยและประสบการณ์กว่า 50 ปี ทุกความต้องการของลูกค้าถูกตอบสนอง



