P.S. Kare Boru Korkuluk Tabanı Duvar Kenarı Kullanımı
SS:40035SQ
Paslanmaz Çelik Kare Boru Korkuluk Tabanı Duvar Kenarı Kullanımı
DAH SHI Paslanmaz Çelik Korkuluk Aksesuarları Sabitleme Taban Plakası, farklı tasarımlar için çeşitli seçenekler sunar. En hızlı yolunu kullanarak korkuluk montajını tamamlayın ve vidaları temiz ve düzgün bir şekilde gizleyin. Taban Plakası, yuvarlak boru, kare boru ve dikdörtgen boru uygulamasına göre sınıflandırılabilir ve ayrıca ayrıntılı olarak açı ayarlanabilir ve açı sabit gibi farklı tiplere bölünebilir, müşterilerin seçim yapabilmesi için. Farklı görsel görüntüler oluşturmak ve aynı zamanda farklı moda tasarımlarına sahip olmak. Aksesuarlar, sadece bir güvenlik merdiven korkuluğu olmaktan daha şık bir korkuluk sistemi yapmak için Titanyum kaplanabilir. İki çeşit Paslanmaz Çelik Malzeme sunuyoruz, SS304 ve SS316, ve farklı ortam uygulamaları için yüzey cilası, Ayna ve Mat. Kolay, hızlı ve pratik kurulum ve mükemmel görsel etki hedeflerimizdir.
Özellikler
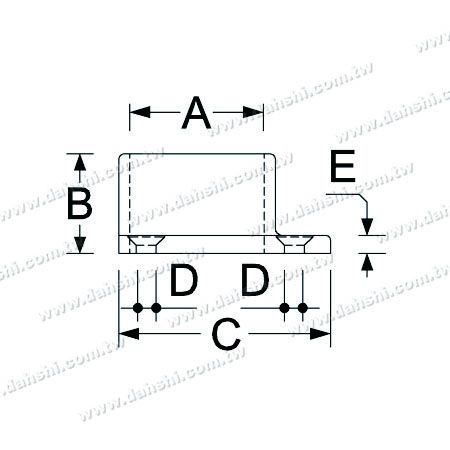
| Ürün No. | A | B | C | D | E |
|---|---|---|---|---|---|
| SS:40035SQ | 40.0mm | 30mm | 65.0mm | 6.2mm | 5.0mm |
| SS:50835SQ | 50.8mm | 38mm | 80.0mm | 6.2mm | 6.0mm |

Ürün Sahipliği
- Şirketimiz, hassas döküm fabrikası, delme işleme fabrikası ve kaynak ve cilalama işleme fabrikasına sahiptir. Ürün tasarımı, işleme ve imalatı için profesyonel danışmanlık ve hizmetler sunmaktayız.
- Markalı ürünlerimizin yanı sıra, müşterilerin kendi tasarımlarını da sağlayabiliriz. Bu tasarımlar tarafımızca işlenip üretilir (OEM); veya müşteriler ürün kavramlarını açıklar ve biz de müşterilerin markalı ürünlerini tasarlar ve işleriz (ODM).
- Profesyonel işleme ve imalat tesisi avantajı, küçük örnek satın almalarını, örnek imalatını ve hızlı seri üretimi kabul edebilmesidir.
Sipariş Bilgileri
- Lütfen teklif verebilmemiz için aşağıdaki bilgileri sıralayın ---
- Miktar:
- Malzemeler: Paslanmaz Çelik #304 veya #316
- Yüzey İşlemi: Cilalı #600 veya Mat yüzey veya örnek sunulabilir
- Nakliye Koşulları: Fabrika çıkış fiyatına göre
Sıcak Ürünler Kataloğu
Katalog, paslanmaz çelik korkuluk aksesuarlarının en iyi satışını sunuyor.
P.S. Kare Boru Korkuluk Tabanı Duvar Kenarı Kullanımı-Paslanmaz Çelik Kare Boru Korkuluk Tabanı Duvar Kenarı Kullanımı | Tayvan Malı Paslanmaz Çelik Küpeşte Bağlantı Parçaları Üreticisi | DAH SHI
1973 yılından beri Tayvan'da bulunan Dah Shi Metal Industrial Co., Ltd., paslanmaz çelik merdiven korkuluk boruları ve merdiven parçaları üreticisi olmuştur. Ana merdiven korkuluk parçaları, S.S. Kare Boru Korkuluk Tabanı Duvar Kenarı Kullanımı, Merdiven Korkuluk Aksesuarları, Paslanmaz Çelik Top, Korkuluk Desteği ile Posta Birleştirici, Paslanmaz Çelik Dirsek, Paslanmaz Çelik Klips, Kare Boru Bağlantı Elemanları ve İnşaat Donanımı içerir ve üretim hatları ultrasonik otomatik temizleme makineleri, CNC makineleri, boru bükme makineleri, argon kaynak makineleri ve benzerlerinden oluşur.
DAH SHI, 50 yılı aşkın süredir paslanmaz çelik korkuluklar, eğimli bağlantı elemanları ve bileşen aksesuarları üretmektedir. İç mimarlar ve mimarlarla çalışarak deneyim kazanmış ve sanatsal ve teknik mükemmeliyet için çaba sarf ederek, merdiven korkulukları alanında ondan fazla patentle tescillenmiş bir ürün yelpazesi sunmaktan gurur duyuyoruz. DAH SHI'nin merdiven korkuluğu ve paslanmaz çelik montaj tasarımı, ve üretimi sürekli olarak dünya çapındaki alıcıların dikkatini çekmektedir. Geçerli süre içinde yüzlerce patent başvurusu yapılmış ve 20'den fazla patent alınmış olan DAH SHI'nin paslanmaz çelik merdiven korkulukları ve bağlantı parçaları profesyonellikle üretilmektedir.
DAH SHI, gelişmiş teknoloji ve 50 yıllık deneyimle müşterilere yüksek kaliteli metal korkuluk ve boru aksesuarları sunmaktadır, her müşterinin talepleri karşılanmaktadır.



