Nerjaveče jeklo naslon za noge za bar (SS:424153AL)
SS:424153AL
DAH SHI Dodatki iz nerjavečega jekla za ograje, posebej namenjeni za dekoracijo barov, ki so ustvarili veliko stilov za izbiro strank z uporabo preprostega oblikovanja cevi in palic. Za ustvarjanje različnih vizualnih podob in tudi za imeti različne modne oblikovanje z enostavno namestitvijo kombinacije brez žarkiranja, rezanja in poliranja takšnih delovnih procesov vnaprej. Dodatki lahko tudi prevlečeni s titanom, da bo sistem ograj bolj eleganten, ne le varnostna stopniščna ograja. Ponujamo dve vrsti nerjavečega jekla, SS304 in SS316, ter površinsko poliranje, ogledalo in saten, za različne aplikacije v okolju. Naši cilji so enostavna, hitra in priročna namestitev ter popoln vizualni učinek.
Značilnosti
- Enostavna namestitev.
- Lep videz.
- Varno.
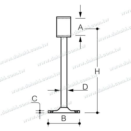
Specifikacija
| Št. artikla | A | B | C | D | H |
|---|---|---|---|---|---|
| SS:337153AL | Premer 33,7 mm | Premer 64,8 mm | 4,0 mm | Premer: 14,0 mm | 200 mm |
| SS:424153AL | Premer 42,4 mm | Premer 74,6 mm | 5,0 mm | Premer: 14,0 mm | 201 mm |
| SS:483153AL | Premer 48,3 mm | Premer 82,4 mm | 5,5 mm | Premer: 16,0 mm | 212mm |

Lastništvo izdelka
- Naše podjetje ima tovarno za natančno litje izgubljenega voska, tovarno za obdelavo pločevine ter tovarno za varjenje in poliranje v zadnjem delu. Nudimo strokovno svetovanje in storitve za oblikovanje, obdelavo in proizvodnjo izdelkov.
- Poleg lastnih izdelkov lahko strankam ponudimo tudi oblikovanje, ki ga obdelamo in izdelamo sami (OEM); ali pa stranke opišejo svoje koncepte izdelkov, mi pa oblikujemo in obdelamo izdelke pod njihovo blagovno znamko (ODM).
- Prednost strokovne obdelave in proizvodnje je, da lahko sprejmemo naročila za majhne vzorce, izdelavo vzorcev in hitro serijsko proizvodnjo.
Informacije o naročilu
- Prosimo, navedite informacije spodaj, da lahko čim prej pripravimo ponudbo ---
- Količina:
- Materiali: Nerjaveče jeklo #304 ali #316
- Končna obdelava: Polirano #600 ali matirano, ali vzorec
- Dostavni pogoji: Na podlagi cene ex-factory
Katalog vročih izdelkov
Katalog ponuja najboljšo prodajo dodatkov za ograje iz nerjavečega jekla.
Nerjaveče jeklo naslon za noge za bar (SS:424153AL) - Nerjaveče jeklo naslon za noge za bar (SS:424153AL) | Proizvajalec inox ograjnih spojk izdelanih na Tajvanu | DAH SHI
Nahaja se na Tajvanu od leta 1973, Dah Shi Metal Industrial Co., Ltd. je proizvajalec cevi za inox ograje in delov za stopnice. Njihovi glavni deli za ograje stopnišča vključujejo nerjaveče jeklo za naslonjalo za noge za bar (SS:424153AL), dodatke za ograje stopnišča, nerjaveče jeklene krogle, podporo za ograjo z združevalcem za stebre, nerjaveče jeklene komolce, nerjaveče jeklene sponke, prilagodljive cevi in strojno opremo za gradnjo, s proizvodnimi linijami, ki vključujejo avtomatske ultrazvočne čistilne stroje, CNC stroje, stroje za upogibanje cevi, stroje za argonsko varjenje in podobno.
DAH SHI je že več kot 50 let proizvajalec nerjavečih jeklenih ograj, ukrivljenih spojk in dodatnih komponent. Z bogatimi izkušnjami, pridobljenimi z delom z notranjimi oblikovalci in arhitekti ter s stalnim prizadevanjem za umetniško in tehnično popolnost, ponosno ponujamo kupcem linijo balustrad, ki so pokrite z več kot desetimi patenti, registriranimi pri Centralnem uradu za standarde. Dizajn ograje in inox pritrdilnih elementov podjetja DAH SHI, ter njihova proizvodnja, pridobivata vedno večjo prepoznavnost med kupci po vsem svetu. Podeljenih je bilo na stotine patentov in DAH SHI ima več kot 20 patentov v veljavnem obdobju. Njihova nerjavna jeklena ograja in pritrdila so izdelana s strokovnostjo.
DAH SHI je že 50 let strankam zagotavljal visokokakovostne kovinske ograje in dodatke za cevi, tako z napredno tehnologijo kot tudi s 50-letnimi izkušnjami, da se izpolnijo zahteve vsakega stranka.


