不锈钢圆管楼梯外墙壁长方形固定座- 手铐通孔
SS:50886AS-5mm
大實不锈钢对于圆管的底盘固定座提供多种外观样式的选择,开发以最快速的安装施工方式完成栏杆的固定,并且优美的外观设计隐藏螺钉外露,底座可分为圆管用、方管及扁管用,又可为螺钉隐藏及外露,再细分又可分为活动式及固定式等等多种外型供客户选择,丰富视觉的变化,增加了艺术风格,也可将配件镀上钛金色更加高贵典雅的气质,不再只是安全扶手而已;我们提供两种不锈钢材质SS304和SS316以因应不同环境安装使用,也提供两种表面处理:砂面及亮面,让客户选择。简单快速的组合及完美的视觉效果是我们的目标。
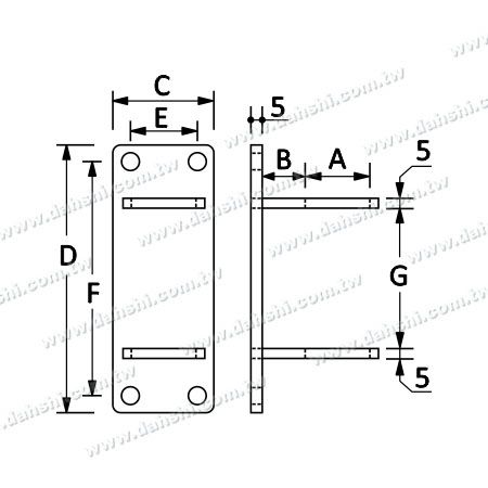
产品规格
| Item No. | A | B | C | D | E | F | G |
|---|---|---|---|---|---|---|---|
| SS:38186AS-5mm | Dia. 38.1mm | 25.4mm | 60mm | 160mm | 40mm | 140mm | 84mm |
| SS:50886AS-5mm | Dia. 50.8mm | 30.4mm | 70mm | 180mm | 50mm | 160mm | 94mm |

产品资讯
- 我们公司本身拥有精密铸造脱蜡厂、冲床加工厂、及后段的焊接抛光加工厂,对于产品的设计、加工制造,我们提供专业的咨询及服务。
- 我们除了拥有公司品牌产品之外,也可以客户提供设计,由我们公司加工生产(OEM);或客户阐述所需的产品理念,再由我们设计加工客户的品牌产品(ODM)。
- 经营专业加工制造厂的优势就是可接受客户的少量样品采购、样品制造、及快速的大量生产。
订单资讯
- 请提供订购数量
- 请告知所需的材质:不锈钢#304 或不锈钢#316
- 请告知所需的表面处理:亮面或砂面或提供样品
- 报价单上的价格"不含"运费及税额
大實不锈钢圆管楼梯外墙壁长方形固定座- 手铐通孔服务简介
大實企業有限公司是台湾一家拥有超过50年经验的专业不锈钢圆管楼梯外墙壁长方形固定座- 手铐通孔生产制造服务商. 我们成立于西元1973年, 在扶手,栏杆,金属建筑材料及配件市场领域上,大實提供专业高品质的不锈钢圆管楼梯外墙壁长方形固定座- 手铐通孔制造服务,大實总是可以达成客户各种品质要求
大實邀请您立即浏览我们各项产品服务并立即联络我们.



