不銹鋼小型圓管插內T型三通彎頭
SS:120168D
大實開發多種樣式的彎頭及多向接頭,從最簡單的90度彎頭到多向的五通接頭,並針對不銹鋼管件的轉接彎頭角度提供多種外觀樣式的選擇,可分為圓管用、方管及扁管用,又可再分為固定式及活動式接頭,提供兩種不銹鋼材質SS304和SS316以因應不同環境安裝使用,也提供兩種表面處理:砂面及亮面,讓客戶選擇。
產品規格
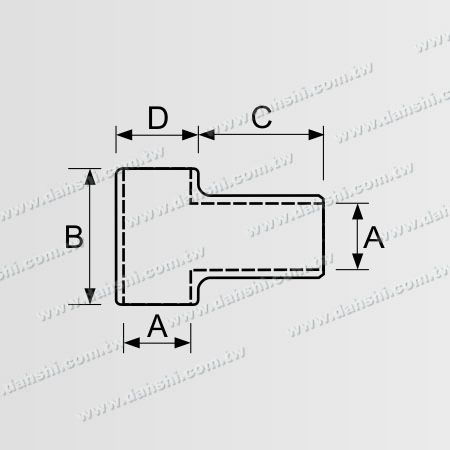
| Item No. | A | B | C | D |
|---|---|---|---|---|
| SS:120168D | Dia. 12.0mm | 25.0mm | 23.0mm | 15.0mm |
| SS:140168D | Dia. 14.0mm | 28.0mm | 25.0mm | 17.5mm |
| SS:160168D | Dia. 16.0mm | 32.0mm | 27.0mm | 20.0mm |

產品資訊
- 我們公司本身擁有精密鑄造脫蠟廠、沖床加工廠、及後段的焊接拋光加工廠,對於產品的設計、加工製造,我們提供專業的諮詢及服務。
- 我們除了擁有公司品牌產品之外,也可以客戶提供設計,由我們公司加工生產(OEM);或客戶闡述所需的產品理念,再由我們設計加工客戶的品牌產品(ODM)。
- 經營專業加工製造廠的優勢就是可接受客戶的少量樣品採購、樣品製造、及快速的大量生產。
訂單資訊
- 請提供訂購數量
- 請告知所需的材質:不鏽鋼 #304 或 不鏽鋼 #316
- 請告知所需的表面處理:亮面 或 砂面 或 提供樣品
- 報價單上的價格"不含"運費及稅額
大實 不銹鋼小型圓管插內T型三通彎頭服務簡介
大實企業有限公司是台灣一家擁有超過50年經驗的專業不銹鋼小型圓管插內T型三通彎頭生產製造服務商. 我們成立於西元1973年, 在扶手,欄杆,金屬建築材料及配件市場領域上, 大實提供專業高品質的不銹鋼小型圓管插內T型三通彎頭製造服務, 大實 總是可以達成客戶各種品質要求
大實邀請您立即瀏覽我們各項產品服務並立即聯絡我們.



